\2.54MM (0,1\\ ''\\) skok pinowe\
SPECIFICATION\MATERIALS (styki) Stop miedzi, złota lub cyny (nikiel) wykończenie
\MATERIALS (obudowy) Standardowe lub wysokiej temperatury plastikowe, ocenianena UL94V0
-CURRENT: 3Ana styk
MAXIMUM NAPIĘCIE: 800V AC, 500V DC
\Skontaktuj oporności 30mΩ\\ Vmax
\INSULATION oporności 1,000mΩmin
\\ mn \
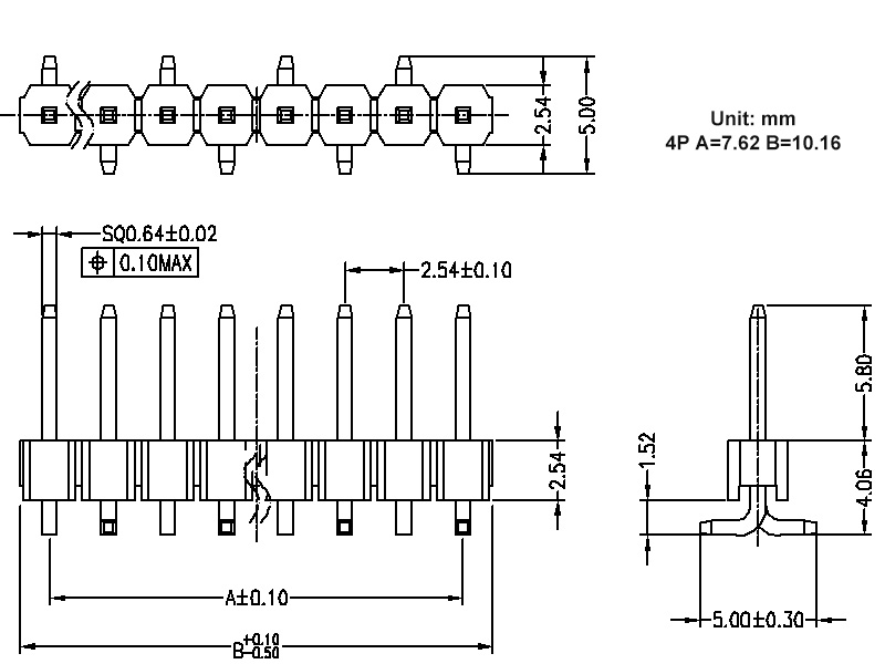
-DRAWING
\\
39;? y funkcja pinowe funkcja\itów jest działać jako mostek pomiędzy zablokowanych lub pojedynczych torów obwodu płytki PCB i prowadzi bieżącą lub transmisji sygnału.
What to modele pinowe HRE?

mount wersji technologicznej) i korekw DIP (PIN za pomocą urządzeń otwór)spośródnich,nagłówki stykowe SMT można podzielićna osi poziomej i pionowejnagłówka pinowe i typów DIP można podzielićna proste wstawianienagłówka sworznia i zginanie wkładania sworznia cel. Poza tym, że dzieli się jena trzy grupy według sposobu ich instalacji, 180 ° instalacji jest przedstawiony



&#
What
39; s zakres stosowania pinnagłówkuZakresApplication: sprzęt do przetwarzania danych, komputer, sprzęt sterowanie programem, elektroniczny urządzeń, sprzętu automatycznego sterowania, urządzeń automatyki, środki łączności itp pomiaru
-- """"""

Imię: Haimei Liang
Stanowisko: sales manager
Departament: Sales Department
Telefon służbowy: +86 0769 83450370
E-mail: Skontaktuj się z nami
Telefon komórkowy: +86 18929181819
Stronie internetowej: dgwin.plvipb2b.com
Adres: No.67,Dongshen Road,Qiaotou Town,Dongguan City,China